첨부파일
-
PFU.pdf
(575.3K)
72회 다운로드
DATE : 2016-05-23 17:18:43
본문
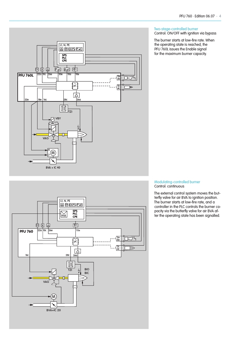
- PFU
- Burner control units
- KROM SCHRODER





댓글목록
등록된 댓글이 없습니다.


