첨부파일
-
iti_ifd_258_gb.pdf
(3.2M)
159회 다운로드
DATE : 2017-09-04 13:40:46
본문
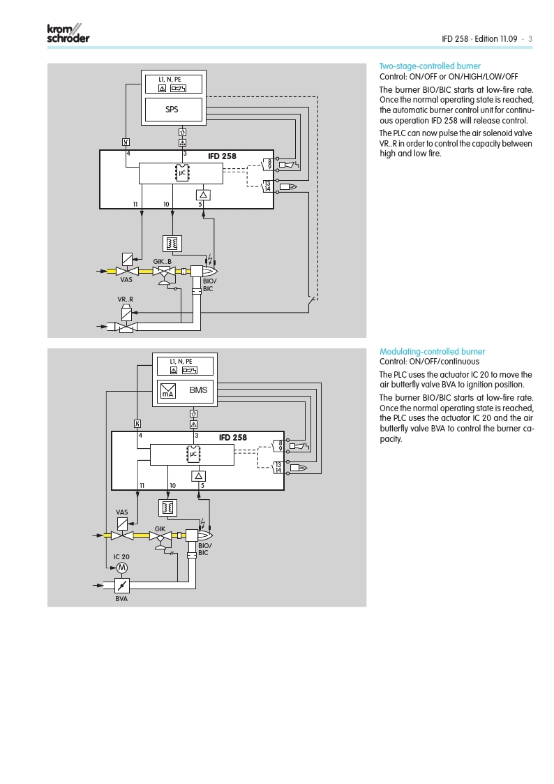
- IFD 258
- Automatic burner control units
- KROM SCHRODER




댓글목록
등록된 댓글이 없습니다.



